Flameproof 4 Way Junction Box - Technical Specification
| Catalogue No. | PFP/JB/05 |
| Type of Ex-Protection | AS PER IS : 2148-2004 / IEC-60079-1:2007 |
| Zone Classification | Zone 1 & Zone 2 |
| Gas Group | Gas Group I, IIA, IIB |
| Ingress IP Protection | IP-65 IS / IEC60529-2001 |
| Material of Contraction | Die Cast Aluminum Alloy LM6 |
| Terminal | 16A 4 Way Clip on Type Rail Mounted |
| Paint | Epoxy Polyester Powder Coating |
| Earthling | Internal: 01 No. & External: 2 Nos. |
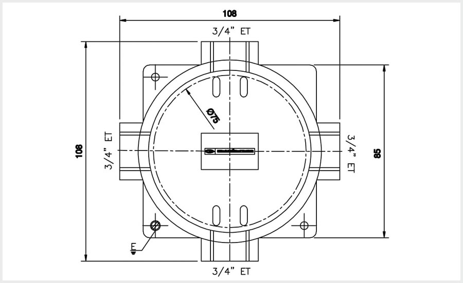
| Cable Entry | 02 OR 04 Nos. for M20 (3/4" ET) |
| Hardware | Stainless Steel |
Flameproof 4 way junction box manufacturers and suppliers in Mumbai, India with certified standards. These junction box is used for secure connection and provides assured safety to hazardous environment. We have quality standard products and customize solutions as per the customer’s demands.


